Capteur de niveau de pellets MCZ Ref.4018005
pieces-detachees-poeles-a-granules-mcz
114,00 €
-8%
104,88 €
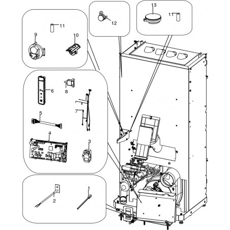
Choisissez un schéma détaillé pour trouver votre pièce
Capteur de niveau de pellets MCZ Ref.4018005
pieces-detachees-poeles-a-granules-mcz